本文
うちこ屋バンク物件を追加しました!
印刷用ページを表示する
更新日:2026年3月4日更新
五十崎地区にある木造2階建て
















契約形態
| 物件番号 | No.86 |
|---|---|
| 契約形態 | 住宅(一戸建て) |
| 契約形態 | 売買 |
| 売買価格 | 560万円 |
|---|---|
| 賃貸価格(月額) | |
| エリア名 | 五十崎エリア |
| 所在地 | 平岡甲492 |
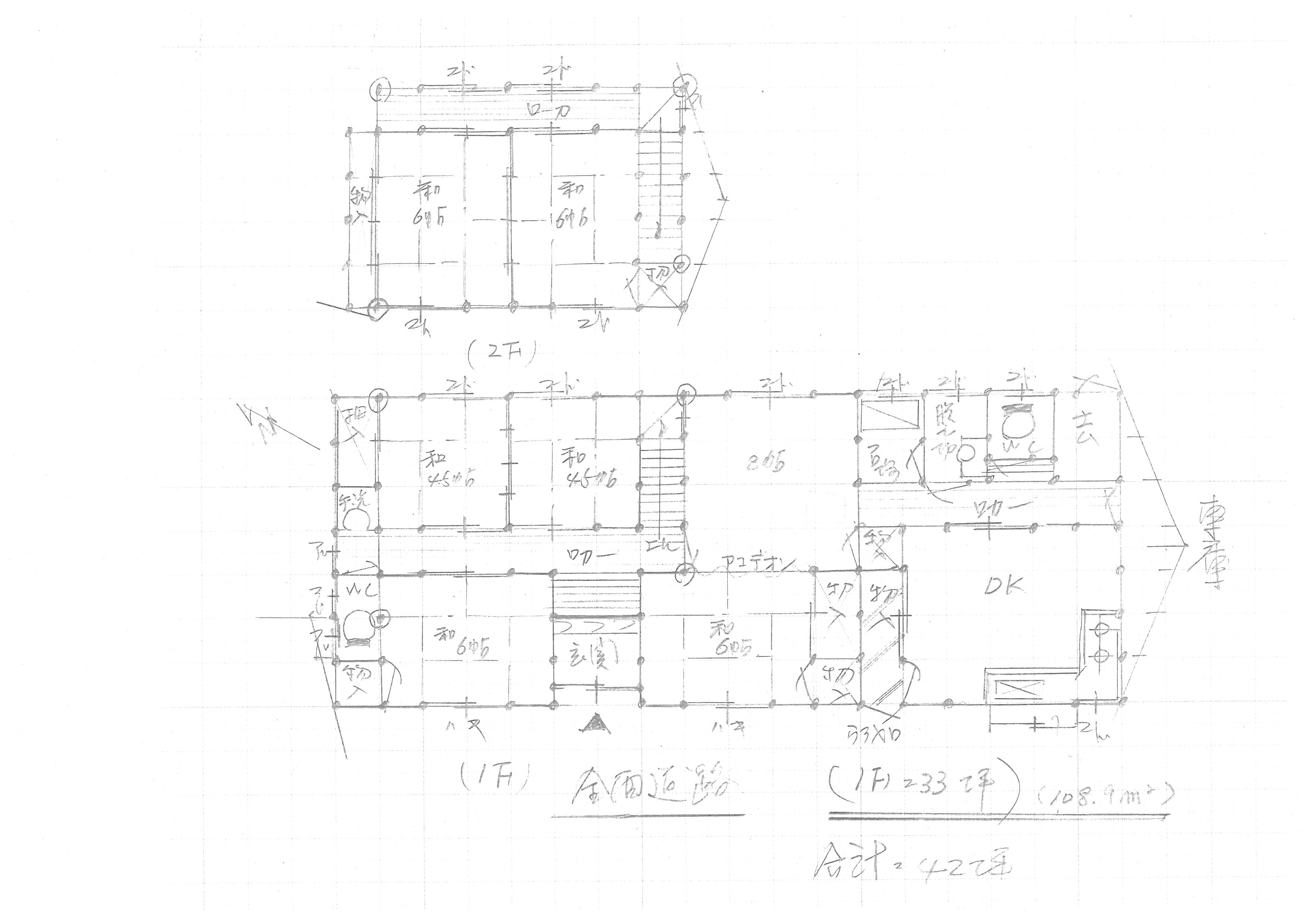
物件概要
| 建築年 | 1970年 |
|---|---|
| 敷地(土地)面積 | 204.92m² |
| 構造 | 木造 |
| 間取り | 図面参照 |
| 建物面積(延床) | 108.9㎡ |
|---|---|
| 修繕・解体の要否 | 必要 |
| 利用状況 | 令和8年1月31日まで利用 |
設備状況
| 電気 | 有 |
|---|---|
| 下水道 | なし |
| 風呂 | 有
灯油
|
| 車庫・駐車場 | 有 |
| ペット可否 | 入居者の希望による
|
| 水道 | 上水道 |
|---|---|
| ガス | プロパン |
| トイレ | くみ取り |
| 農地 | 有
188㎡
|
その他・備考
内子駅、内子五十崎インター、フジ内子店 … 車10分
天神小学校、五十崎中学校 … 徒歩5分
くるみ保育園 …徒歩10分
南向き日当たり良好
農地(果樹園)188㎡付き
7DK、ペット室内飼育可
地図
地図の読み込みに関する問題が発生したとき<外部リンク>






